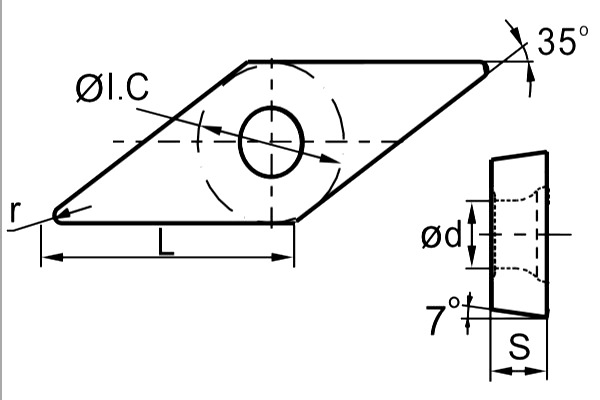
VCGX110301-LH YD201
Описание
												Комментарии
												Дополнительно
												Дополнительная вкладка предназначена для размещения общей информации. Текст в этой вкладке будет одинаковым для всех товаров. Например, здесь можно рассказать об условиях доставки, оплаты и заказа. Или отразить преимущества вашей компании.
Вы можете переименовать вкладку или отключить. Изменить текст вкладки можно через редактирование определенного файла.
    Калькулятор
    
  
  
  
        n, об/мин 1273
      
      
        Подача, мм/мин 509
      
    
        n, об/мин 1592
      
      
        Подача, мм/мин 318
      
      
        Время, мин 0.06
      
    
        n, об/мин 1432
      
      
        Подача, мм/мин 358
      
      
        MRR, мм³/с 286
      
    
        Сверло: 8.50 мм
      
      
        Формула: Dсв ≈ D−P
      
    
        Отверстие: 40.000 / 40.000
      
      
        Вал: 40.000 / 40.000
      
      
        Зазор: мин 0.000 / макс 0.000
      
    
    Вход
    личный кабинет